SIGA-NOS:

Produtos
interruptor giratório 4kw da came da combinação do cadeado 20A
  • interruptor giratório 4kw da came da combinação do cadeado 20Ainterruptor giratório 4kw da came da combinação do cadeado 20A

interruptor giratório 4kw da came da combinação do cadeado 20A

Com mais de 30 anos de experiência no setor, Yaming apresenta o 20A Padlock Combination Rotary Cam Switch 4kW, uma solução de controle segura, estável e personalizável para circuitos CA de 50 Hz. Projetado para comutação manual confiável de circuitos, controle de motor e medição, este produto integra processos de fabricação robustos, controle de qualidade rigoroso e recursos de segurança com trava para atender às necessidades elétricas industriais globais. Como fabricante profissional com sede na China, oferecemos desempenho de produto estável e serviços de personalização flexíveis para atender a diversos requisitos de aplicação.

Zhejiang Yaming Electric, com mais de 30 anos de experiência profissional na indústria, é um fabricante líder confiável de interruptores elétricos. Aproveitando fortes capacidades técnicas e um rigoroso sistema de gestão de qualidade, operamos uma fábrica moderna equipada com processos de precisão e tecnologia de ponta, garantindo que cada produto atenda aos padrões internacionais.


Temos o orgulho de apresentar o Yaming 20A Padlock Combination Rotary Cam Switch 4kW, um componente de alto desempenho da série HZ5. Este switch fornece controle estável, eficiente e personalizável para diversas aplicações de circuitos elétricos, integrando uma função travável para aumentar a segurança operacional.


Parâmetros Técnicos


1. Série: Interruptor de combinação da série HZ5

2. Cenários aplicáveis: circuitos CA de 50 Hz

3. Tensão operacional nominal: até 380 V CA, 240 V CC

4. Corrente nominal: até 63A (este modelo: 20A, 4kW)

5. Aplicações: comutação, controle e conversão de circuito manual e pouco frequente


Funções principais


1. Controle direto de motores CA de pequena capacidade

2. O interruptor de came rotativo com combinação de cadeado 20A 4kw pode ser usado como um dispositivo principal de controle e medição de circuito.

3. Suporta regulação de velocidade do motor e conversão de circuito.

4. Equipado com uma função de segurança travável, permitindo operações liga/desliga seguras e pouco frequentes.


Recursos do produto


1. Interruptor de came rotativo com combinação de cadeado 20A 4kw Adequado para circuitos CA de 50 Hz, suportando até 380 V CA / 240 V CC, com uma corrente nominal máxima de 63 A.

2. Permite conexão e desconexão manual e pouco frequente do circuito para aplicações de controle.

3. Pode acionar diretamente motores CA de pequena capacidade, com funções principais de controle e medição.

4. Suporta personalização total: o número de pólos e faixas pode ser totalmente personalizado de acordo com as especificações do cliente.


Aplicação do produto



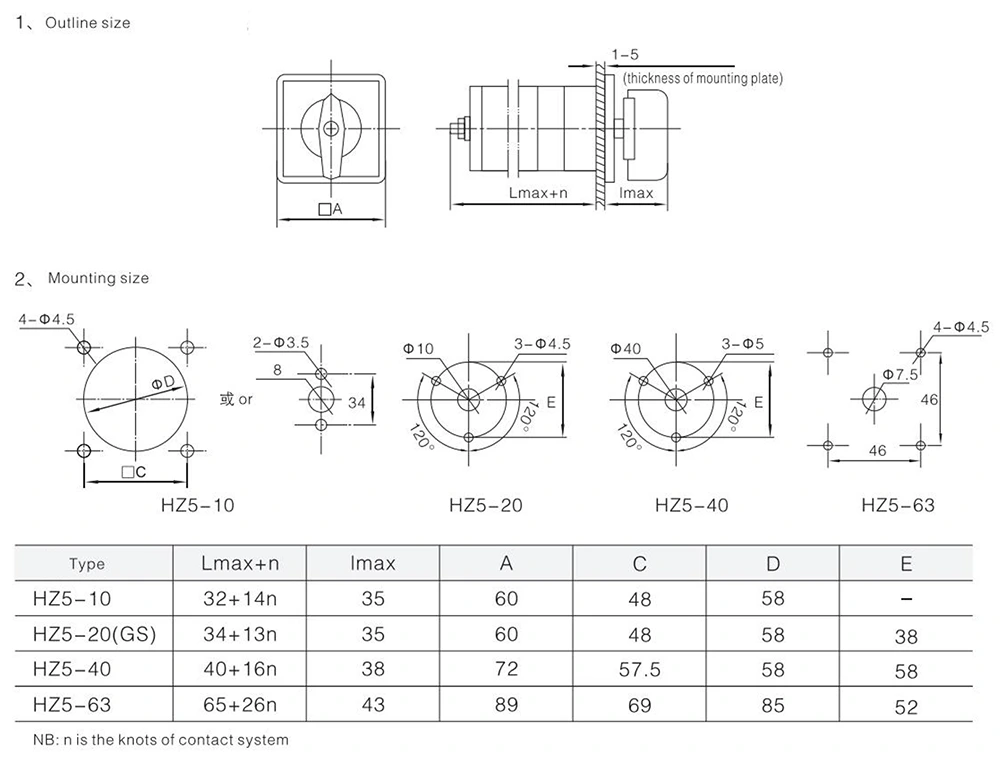
Parâmetros Técnicos



Tamanho do contorno do produto tamanho da instalação


Por que escolher Yaming?


Como um fornecedor global confiável, a Yaming combina décadas de experiência no setor, um sistema de qualidade rigoroso e recursos de produção flexíveis para fornecer aos clientes interruptores de came rotativos seguros, duráveis ​​e específicos para aplicações. Nosso interruptor de came rotativo com combinação de cadeado 20A 4kW se destaca por sua estabilidade, segurança, versatilidade e recursos de personalização, tornando-o ideal para controle industrial e distribuição de energia.



Hot Tags: Interruptor de came rotativo de combinação de cadeado 20A 4kw China, fabricante, fornecedor, fábrica
Enviar consulta
Informações de contato
  • Endereço

    No.8 Yaming Road, Zona Industrial de Xiangyang, cidade de Yueqing, província de Zhejiang, China

Se você tiver alguma dúvida sobre cotação ou cooperação, sinta-se à vontade para enviar um e-mail ou usar o seguinte formulário de consulta. Nosso representante de vendas entrará em contato com você dentro de 24 horas.
X
Utilizamos cookies para lhe oferecer uma melhor experiência de navegação, analisar o tráfego do site e personalizar o conteúdo. Ao utilizar este site, você concorda com o uso de cookies. política de Privacidade
Rejeitar Aceitar