SIGA-NOS:

Produtos
Chave rotativa de controle de avanço e reverso 32A
  • Chave rotativa de controle de avanço e reverso 32AChave rotativa de controle de avanço e reverso 32A
  • Chave rotativa de controle de avanço e reverso 32AChave rotativa de controle de avanço e reverso 32A
  • Chave rotativa de controle de avanço e reverso 32AChave rotativa de controle de avanço e reverso 32A

Chave rotativa de controle de avanço e reverso 32A

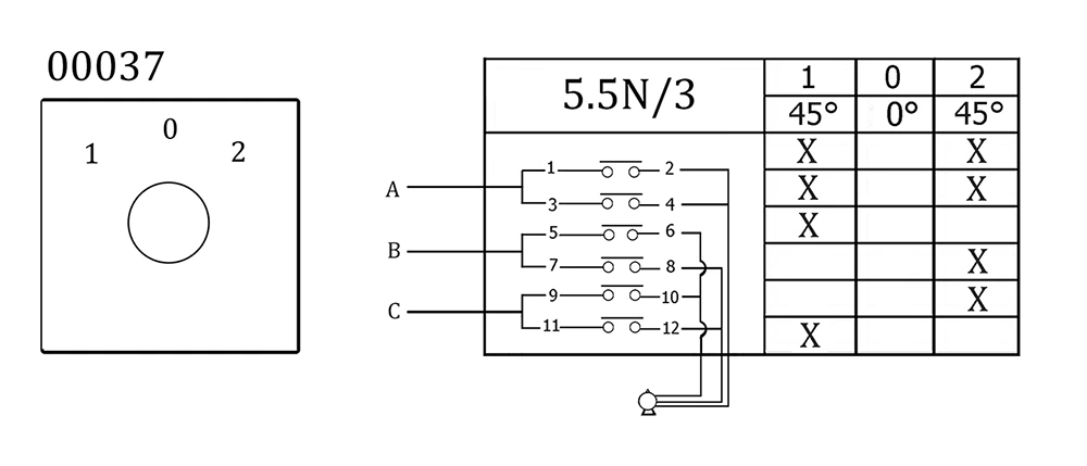
Como fabricante profissional de interruptores elétricos com mais de 30 anos de experiência, a YAMING lança o interruptor rotativo de controle direto e reverso 32A (modelo interno: YMW26-32 5.5N/3), uma solução de controle de circuito de alto desempenho criada com habilidade requintada e tecnologia de ponta. Esta chave rotativa de 3 posições é aplicável a circuitos CA 50 Hz / ≤ 690 V e CC ≤ 240 V, suportando conversão manual de circuito não frequente, controle direto de motor CA pequeno, bem como controle de comando e teste de circuito.

A chave rotativa de controle direto e reverso YAMING 32A é uma chave comutadora de 3 posições de alta confiabilidade, projetada especificamente para circuitos AC 50HZ/≤690V e DC ≤240V, com capacidade máxima de suporte de corrente de 32A. Suas funções principais incluem a realização de conversão manual de circuito não frequente, controle direto de pequenos motores CA e aplicação em cenários de controle de comando e teste de circuito.


Como componente chave em sistemas de controle elétrico, garante efetivamente a operação estável e confiável de vários aparelhos elétricos. Possui tamanho compacto, integração multifuncional, estrutura robusta e operação confiável, com forte adaptabilidade a diversos ambientes de trabalho. Como fornecedor confiável da China, a YAMING oferece opções personalizáveis ​​para que esse switch atenda a diversas necessidades de aplicação, tornando-o um componente essencial em controle de circuitos, equipamentos de teste e sistemas de controle de motores.


Principais recursos do produto


- Estrutura compacta para instalação flexível: O switch adota um design compacto, que pode ser organizado de forma flexível em espaços de instalação limitados, melhorando muito a taxa de utilização do espaço interno do equipamento.


- Integração multifuncional: integra múltiplas funções de controle para atender às diversas necessidades de controle de diferentes cenários de aplicação, realizando um switch para múltiplas finalidades e reduzindo a complexidade da configuração do sistema.


- Desempenho de segurança superior: Construído com estrutura robusta e materiais de alta qualidade, o switch possui excelente desempenho de isolamento, garantindo efetivamente a segurança elétrica durante o uso e reduzindo possíveis riscos de segurança.


- Operação estável e confiável: O mecanismo rotativo opera suavemente, com baixa taxa de falhas e forte confiabilidade, que pode manter um desempenho estável mesmo em uso a longo prazo.


- Design elegante e prático: O design da aparência é elegante e funcional, que pode combinar bem com o estilo estético de diferentes equipamentos e melhorar a textura geral do equipamento.



Aplicação do produto


A chave rotativa de controle direto e reverso YAMING 32A possui um sistema de classificação abrangente, que pode ser adaptado a vários cenários de uso, e suas principais aplicações e detalhes de classificação são os seguintes:


1.Principais campos de aplicação

É amplamente utilizado em cenários de comutação de circuito principal, controle direto de motor CA, controle de comando e medição de circuito, e é um componente central importante em sistemas de controle de circuito, equipamentos de teste e sistemas de controle de motor.


2. Detalhes de classificação

- Modo de operação: Inclui modos de posicionamento, reinicialização automática e reinicialização automática de posicionamento para se adaptar a diferentes requisitos de operação.


- Ângulo de conversão: ângulos de conversão opcionais de 30°, 45°, 60°, 90° para atender às diferentes necessidades de transmissão mecânica.


- Formato do Painel: Disponível em formatos de painel quadrado e retangular, adequado para diferentes interfaces de instalação de equipamentos.


- Camadas Personalizáveis: O switch suporta personalização de 1 a 12 camadas, permitindo configuração personalizada de acordo com requisitos específicos do sistema de controle.


Nota: O produto está equipado com um diagrama de fiação detalhado para facilitar a instalação e uso rápido e correto.

E este interruptor de came rotativo 32A pode ser personalizado (de 1 a 12 camadas):



Condições de trabalho


A chave rotativa de controle de avanço e ré YAMING 32A tem excelente adaptabilidade ambiental e pode operar de forma confiável sob as seguintes condições normais de trabalho:


- Faixa de temperatura: Adequado para uso em ambientes com temperaturas variando de -25℃ a +50℃, com temperatura média não superior a +35℃ em 24 horas.


- Altitude de Instalação: Pode ser instalado a uma altitude ≤ 4000m, adaptando-se às diferentes exigências do ambiente geográfico.


- Umidade relativa: A umidade relativa máxima é de 50% a +50°C e 90% a +20°C. Para o acúmulo de umidade causado por mudanças de temperatura, a YAMING fornece soluções especiais anticondensação para garantir a operação estável do interruptor.


Vantagens da Cooperação


Como uma fábrica profissional com vasta experiência, a YAMING adere ao conceito de qualidade em primeiro lugar e fornece aos clientes produtos de chave rotativa de controle direto e reverso 32A de alta qualidade. Como fornecedor confiável da China, não apenas garantimos o desempenho e a qualidade do produto, mas também fornecemos um serviço pós-venda atencioso e soluções personalizadas, comprometidos em criar maior valor para clientes globais.


Parâmetros Técnicos

Tamanho do contorno do produto tamanho da instalação



Hot Tags: Fabricante de chave rotativa de controle direto e reverso 32A, China, fornecedor, fábrica
Enviar consulta
Informações de contato
  • Endereço

    No.8 Yaming Road, Zona Industrial de Xiangyang, cidade de Yueqing, província de Zhejiang, China

Se você tiver alguma dúvida sobre cotação ou cooperação, sinta-se à vontade para enviar um e-mail ou usar o seguinte formulário de consulta. Nosso representante de vendas entrará em contato com você dentro de 24 horas.
X
Utilizamos cookies para lhe oferecer uma melhor experiência de navegação, analisar o tráfego do site e personalizar o conteúdo. Ao utilizar este site, você concorda com o uso de cookies. política de Privacidade
Rejeitar Aceitar